CF35 High Vacuum SS316L SS304 Stainless Steel Butterfly Valve Manually Operated Swivel Valve Plate With FKM Seal High Quality Vacuum Butterfly Valve
CF High Vacuum Butterfly Valve SS304 SS316L Manually Operated Handwheel CF35 Stainless Steel Vacuum Flange Butterfly Valve
- Overview
- Recommended Products

Used as ventilation, shut-off or high-vacuum valves, butterfly valves have asimple structure, and can be installed in thevacuum exhaust line of a semiconductor tools. Butterfly Valves are characterisedby their compact design, and high conductance. Made of stainless steel 304 or31 6L, these valves are also available manually operated or electro pneumatically.
Deign and Feature
*Swivel valve plate with FKM seal
*Compact size and light weight,easy installing
*Minimal face-to-face dimension,Minimalinstalling space
* Flow by adjusting the degree of opening andcan be set to an arbitrary degree of opening
Technical Parameters
| Valve Body Material: | SS304/SS316L | |
| Seat Seal Material: | FKM, NBR in option | |
| Vacuum Range: | 10°-6.7x10■Pa | |
| Leak Rate: | 1.3x10$ Pa.L/s | |
| Cycles Until Service: | Cycles: | 800,000 Times |
| Valve: | 100,000 Times | |
| Angle Opning: | 0-90 Degree | |
| Temperature Range: | FKM Seat Seal: | -30℃ to 150℃(Approximately) |
| NBR Seat Seal: | -25℃ to 80℃(Approximately) | |
| Operated: | Manual, Pneumatic Actuator, Electric Actuator | |
| Compressed Air: | 0.4-0.8Mpa | |
| Opening/Close Speed: | Aluminium Actuator: | ≤3S |
| Electric Actuator on-off type: | Standard 30 S.10S,15S option | |
| Solenoid Voltage: | AC220V,50Hz,6W or on request | |
| Standard Electric Actuator: | On-off type | |
| Avaible with Position Indicator | Optional signal feedback | |
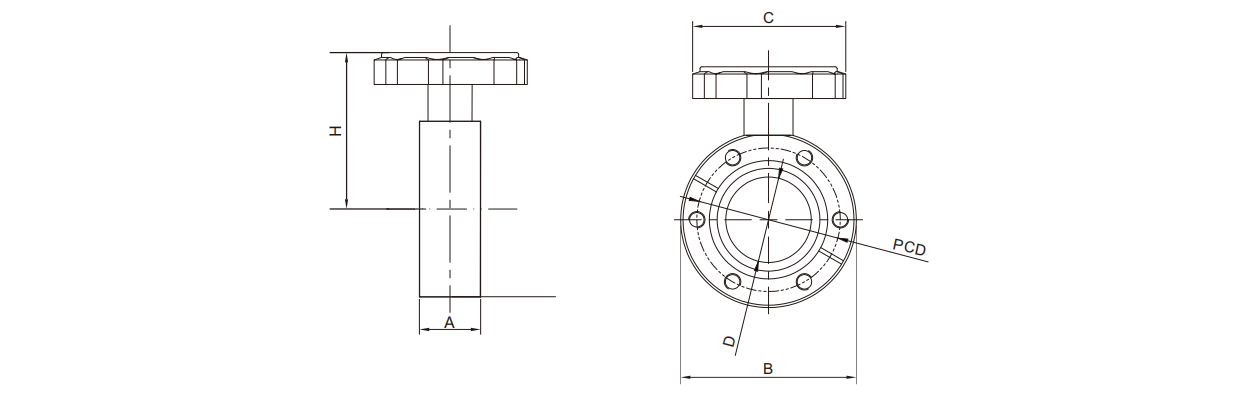
CF Butterfly Valve

| Model for 304 | Size | A/mm | B/mm | C/mm | D/mm | Hmm | PCD/mm |
Bolt Hole Dia |
Bolt Hole No. |
N.W./kg |
| VBK03W143HF35NN | CF35 | 25 | 70 | 48 | 32 | 61.5 | 58.7 | 6.7 | 6 | 0.62 |
48
About Us
Wenzhou QiMing Stainless Co., Ltd. was founded in 2015, located in Wenzhou city providing a wide range of stainless steel valves and fittings for food, dairy, beverage,cosmetic, wine industries, semiconductor, LCD,solar energy, lithium technology, photovoltaic and other high-tech industries. mainly manufacture and export SS valves and fittings including Butterfly Valve, Ball Valve, Check Valve, Angle Valve, Vacuum Valves, Tri Clamp Fittings, Weld Fittings,KF/NW flanges, ISO Flanges and CF Flanges. has Mazak CNC, Milling CNC, handheld spectrometer,helium mass spectrometer leak detection, roughness tester and others. With more than 10 years development, QiMing gets 3A certificate and ISO9001:2008. QiMing's main market is Europen, USA, Korea,Japan and so on.
QiMing Market
Our products are exported to many countries, including South Korea, the United States, the United Kingdom, ltaly, France, the Netherlands, Finland, Russia, Belarus, Thailand, CanadaMexico,
Australia, Germany, Spain, Malaysia, Singapore, Vietnam, Indonesia, India, thePhilippines, Japan, Paraguay, Brazil, Chile, Peru, and more.

QiMing Team
Our experienced engineers work closely with each customer to find out the best possible solutions.Our constant technical innovation combined with stringent quality control systems hasenabled us to deliver high performance and outstanding value in sanitary applications.We are dedicated to improving the performance and value of our products, services, and solutions to meet your requirements

Equipment & Testing
QiMing has advanced CNC machieries,CNC centers and Testing Equipment,ISO9000 Certificated and all raw materials are traceablethe ablethe

Certificate

Exhibition
Wenzhou Qiming Stainless Steel Co., Ltd. participated in the Japan Semiconductor Exhibition in November 2023, the Shenzhen Semiconductor Exhibition in June 2024, and the U.S. Semiconductor Exhibition in July 2024. In December 2024, the company attended the Japan Semiconductor Exhibition again and participated in the China Optoelectronics Expo during the same period. It will take part in the China Optoelectronics Expo in September 2025, the U.S. Semiconductor Exhibition in October 2025, and the Japan Semiconductor Exhibition in November 2025.

FAQ
Q: Why would I choose you?
Wenzhou QiMing Stainless Co., Ltd has been engaging in manufacturing sanitary valves, fittings, tank components and pumps for over
15 years, outstanding in production capacity, effective management, accurate lead time, on-time shipments and problems-solving
rate after sales.
Q: May I have free samples before ordering?
Yes, our company is very pleased to send you free samples for quality test as long as freight cost being paid by buyers
themselves.
Q: What's the MOQ?
The majority of products are fully in stock, so we accept 1 piece as the minimum order quantity.
Q: Does your company have the export license?
Yes, we have more than 4 years export experience, we can do FOB, C&F, CIF, DDU and DDP (Russian Only).
Q: What's the payment term?
For small testing orders, we accept Paypal, Western Union, T/T and Credit Card.
For mass orders, we accept T/T and L/C.
Q: How would you minimize damages during delivery?
Standard: mass orders will be packed by many carbon boxes and filled in plywood cases.
Available requirement: blister packing for every piece of product, plastic caps for clamp connected products.
Q: How would you choose the shipment way?
Basically, we will select shipment ways based on four factors (order quantity, delivery time, costs and customs policy), then list
couples of reasonable options with Pros and Cons to customers, letting them to decide.
